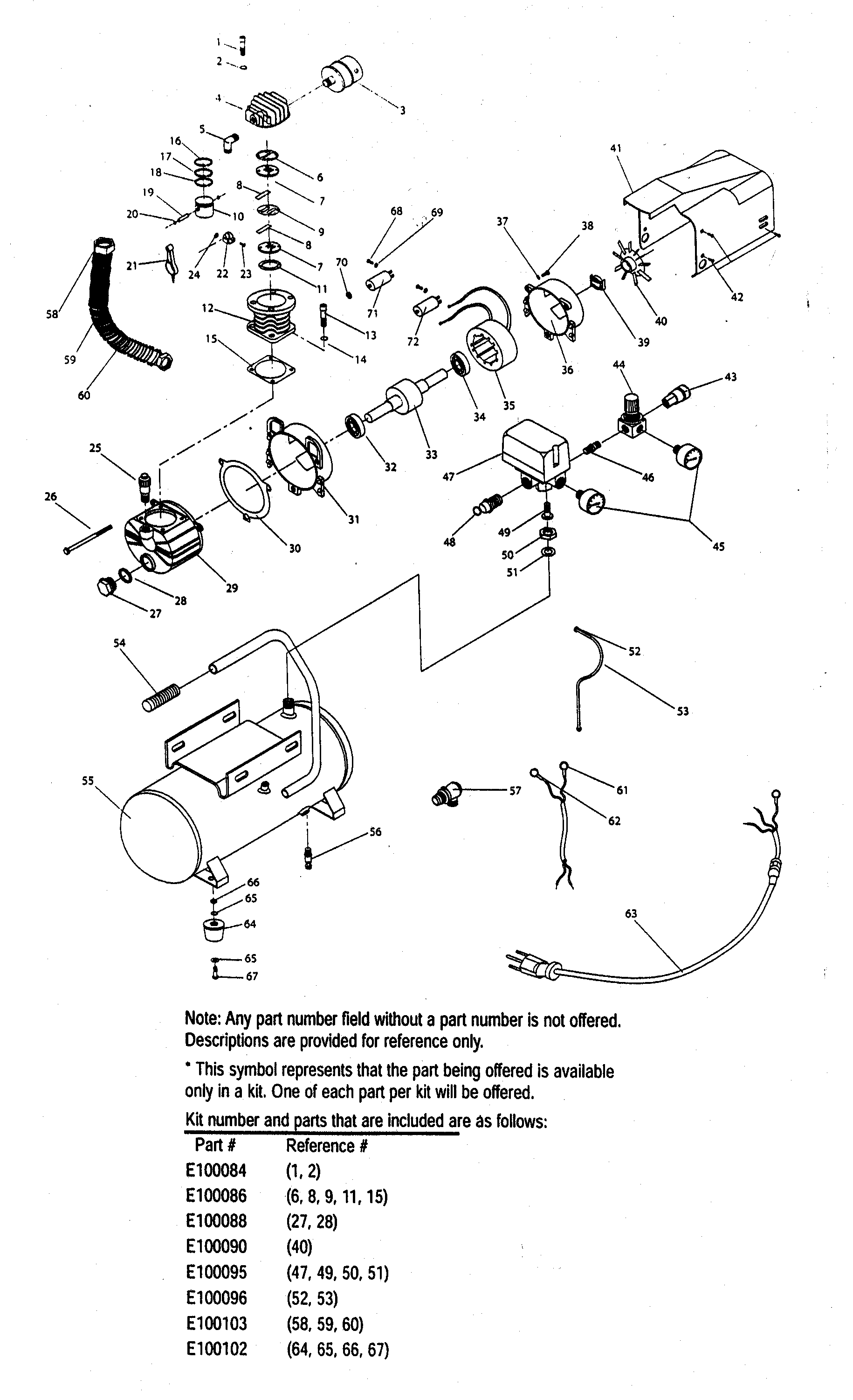
Official Craftsman 921152100 air compressor parts Sears PartsDirect View larger
  • Craftsman 921.152100 outlet
  • Craftsman 1.5HP air compressor drain plug upgrade and oil change
  • Craftsman 921.152100 outlet
  • Craftsman 921.152100 Parts Master Tool Repair
  • CRAFTSMAN Air Compressors Auction Results MachineryTrader

Craftsman 921.152100 outlet

Craftsman 921.152100 outlet, Official Craftsman 921152100 air compressor parts Sears PartsDirect outlet

$82.00

SAVE 50% OFF

$41.00

- +

Add to wishlist


Frasers Plus

$0 today, followed by 3 monthly payments of $13.67, interest free. Read More


Craftsman 921.152100 outlet

Official Craftsman 921152100 air compressor parts Sears PartsDirect

Air compressor Craftsman 125 psi 1.5 HP 2 GAL for Sale in Glendale

Craftsman 1.5HP air compressor drain plug upgrade and oil change

CRAFTSMAN 921.153640 OWNER S MANUAL Pdf Download ManualsLib

Craftsman 921.152100 Parts Master Tool Repair

CRAFTSMAN Air Compressors Auction Results MachineryTrader

Description

Product code: Craftsman 921.152100 outlet
CRAFTSMAN 921.152100 OWNER S MANUAL Pdf Download ManualsLib outlet, Lot Craftsman 921.152100 125psi Air Compressor outlet, Lot Craftsman 921.152100 125psi Air Compressor outlet, Craftsman 1.5HP air compressor drain plug upgrade and oil change outlet, Craftsman 921.152100 Parts Master Tool Repair outlet, Craftsman compressor won t run DoItYourself Community Forums outlet, Sears outlet, Craftsman 921.152100 Owner s manual Free Download Borrow and outlet, CRAFTSMAN 921.153620 OWNER S MANUAL Pdf Download outlet, Craftsman 2 gal. air compressor tank controls. PLEASE READ ENTIRETY outlet, Craftsman 921.152100 Parts Master Tool Repair outlet, Craftsman 2 gal. air compressor tank controls. PLEASE READ outlet, Craftsman Air Compressor Pressure Switch Master Tool Repair outlet, Craftsman Air Compressor User Manuals Download ManualsLib outlet, Craftsman 921.152100 Parts Master Tool Repair outlet, Craftsman Air compressor outlet, Craftsman 2 gal. air compressor tank controls. PLEASE READ ENTIRETY outlet, CRAFTSMAN 921.1531 OWNER S MANUAL Pdf Download ManualsLib outlet, CRAFTSMAN 919.152921 Air Compressors Auction Results outlet, Specifications Glossary Duty Cycle Craftsman 921.153120 outlet, Craftsman 921.152100 User Manual 11 pages outlet, Kanyarog Transzform tor sikoly compresor craftsman 125 psi precio outlet, Glossary Duty Cycle Specifications Craftsman 921.152150 outlet, CRAFTSMAN 919.167630 Air Compressors Auction Results outlet, Air Filter Assembly Intake 1 2 outlet, Craftsman 921.152100 Parts Master Tool Repair outlet, Craftsman 2 gal. air compressor tank controls. PLEASE READ outlet, CRAFTSMAN 921.166420 Air Compressors Auction Results outlet, Official Craftsman 921152100 air compressor parts Sears PartsDirect outlet, Air compressor Craftsman 125 psi 1.5 HP 2 GAL for Sale in Glendale outlet, Craftsman 1.5HP air compressor drain plug upgrade and oil change outlet, CRAFTSMAN 921.153640 OWNER S MANUAL Pdf Download ManualsLib outlet, Craftsman 921.152100 Parts Master Tool Repair outlet, CRAFTSMAN Air Compressors Auction Results MachineryTrader outlet, Kanyarog Transzform tor sikoly compresor craftsman 125 psi precio outlet.

Craftsman 921.152100 outlet